I was thinking it would be neat to have one switch to fire up the arcade and to shut it down, especially if you have mamed an old original cabinet.
Some folks say just turn the power off, but windows OS dont like that. So I came up with this circuit using two 12VDc relays.

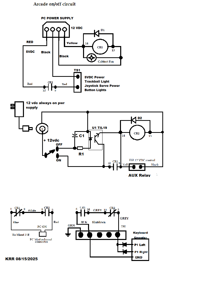
With this circuit, a "always on" 12 vdc power supply is used. Also the power from the PC power supply. (12 volt and 5 volt, for my purposes).
On start, the power switch is off, the PC is off.
Flip the power switch to ON and CR2 comes on.
This closes the contact in to complete the circuit through normally closed CR1 to turn on the PC by the motherboard connection.
This also turns on teh AUX relay, which switches high voltage to monitor, marquee lamp, etc.
When PC power supply comes on (should be pretty quick), CR1 comes on, which breaks the circuit to motherboard power on.
In my circuit, this also turns on the 12vdc cabinet cooling fan.
PC is up and running.
Now turn power switch to off.
This turns off CR2 and AUX relays.
The normally closed CR2 contact completes the path to the keyboard encoder.
I use two diodes to make the P1 joystick left and right to energize.
I have an AHK script running on the PC that when it sees both left and right, it shutdowns the PC.
Windows is happy and so am I.
Now the drawback to this (which really irritated my OCD), is if the power fails (Unplug cabinet from wall, fuse blows, etc), when the power comes back on, and if the power switch is left in ON position, the PC will fire up. This is the case also if you are working on the PC and decide to shut it down from Windows.
So I came up with this circuit:

Here I use an optoisolator, which is turned on when the power switch is off.
When turning the power switch ON, a capacitor keeps the opto on long enough for CR1 to come on and "seal" around it to keep CR2 on.
Now if power fails for whatever reason, or you shutdown windows from the windows shutdown, the pwer switch must be returned to OFF then back to ON to turn on the cabinet.
It worked great for over a month until I replaced relays and optoisolator with some Logical AND gate chips.
I will post the AHK script im using later.
You can use 5vdc relays but you will have to use the 5vdc from computer power supply, and the "always on" power supply will have to be 5vdc.
I had 12 vdc relays in my junk box so thats what I used.