All right, the arcade is playable for tonight party (worked on it all night = no sleep
)
Still a lot of stuff here and there, but the basic is there...
Cheers 
I'll post a full status soon enough, after I get some sleep...
All right, I've got enough sleep and finished posting my updates...
As I said in post #224, I worked all night Friday to get the cab ready for my nephew birthday party.
Basically, this is the timeline...
Fri 18h00 : back home, diner time
Fri 19h00 : Continuing the wiring
Sat 00h00 : button+led soldering done
Sat 03h00 : connection to ledwiz/keywiz done
Sat 04h00 : Install CP top - CP box "piano bracket"
Sat 05h00 : PC to CP power cable done (0V, 5V, 12V)
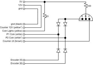
Sat 05h30 : Coin door connection


Sat 06h00 : Clean up the kitchen table where I did all my wiring
Sat 06h30 : Bring the computer/monitor/TV/laptop in the living room and start the cab assembly
- install TV on TV shelf
- install PC in the cab, connect monitor, tv, keyboard, mouse, external HD (music)
- turn on the PC
* the side logo light turns on (12V)
* the lightgun power switch ring turns on
* The USB trackball works fine
- try my PS/2 to PC adapter :

not working. The device isn't recognized.
Throw it away and get my basement usb keyboard

- try TV with the s-video cable and laptop : OK
- try TV with PC :

the "output to TV" option isn't there.
Sat 08h00 : Time's UP .... Shower time
Sat 09h00 : Drive to funerals (friend's mom). This was a really long hour drive. I had to stop a Tim Horton for some coffee.
Sat 12h00 : Stop at the grocery/liquor Store to get beer/wine and some Guru in case I don't have time to take a nap
Sat 13h00 : Back to home, lunch taken
Sat 14h00 : Reinstall radeon x1300 drivers and reboot PC
- the TV and monitor shows the HP logo screen at boot up :

- Once windows load, only the monitor display something

- reboot with only the svideo connected (monitor disconnected) : YEAH

Sat 15h00 : connecting the KEYWIZ in bypass mode with my PS/2 keyboard : OK
Sat 15h15 : Switching to regular mode and try encoder in notepad...
- P1 directions : OK
- P1 actions : Arrrgh! it's P2!
- P2 directions : OK
- P2 directions :Arrgh! it's P1!
- swap P1 and P2 actions
Sat 16h00 : Realize that P1 and P2 start labels are inverted
- swap them
Sat 16h15 : Start Mala
- controls works

Sat 16h30 : Start Mame (SF2)
- P1 and P2 joystick are in 4-way mode

- Actuator is upside down. I read the PDF before installation, but was probably too tired to understand

Sat 16h45 : Start Mame (SF2)
- P1 and P2 joystick are OK.
- P1 4way is working
- Coin mechs are working
- P1 action buttons are perfect.
- P2 action buttons aren't map properly

* P1 button 2 activate both P1 and P2 button 2.
* P2 button 1 is working, all other doesn't work
Sat 17h00 : Ding Dong, first relative is here

So even with all those small unfinished things, I was able to proudly show the cab.
My nephew tried it for about 5 minute then requested to go play my XBOX downstairs.
then, after 30 minutes, he went back up and ask for a few quarters

So he started a game of metal slug and played for a while.
His sister even played with him, even though she had limited control (Fire and "simultaneous jump" with her brother).
It was so funny to see them run for a quarter when they were "game over" and they saw that 10 sec countdown

Here's a pic of the "incomplete cab"...

-----------------------------------------------------------
I still have a lot of stuff to do...
- Install the LCD topguns power connectors next to the usb hub and led bar on the TV
- Do the monitor bezel
- Get another usb keyboard (for skjukebox find feature)
- Do the main power relay for a clean power cable installation
- install pinball button (need to groove the bottom of the CP box : no space for nuts)
- install computer power button on CP box side
- Change the lighting light source for side log
* right now, I'm using yellow led strip. I'll eventually need to change them for a white light source...
- Software stuff
- ... and many more ...
Jay
