Main Restorations Software Audio/Jukebox/MP3 Everything Else Buy/Sell/Trade
Project Announcements Monitor/Video GroovyMAME Merit/JVL Touchscreen Meet Up Retail Vendors
Driving & Racing Woodworking Software Support Forums Consoles Project Arcade Reviews
Automated Projects Artwork Frontend Support Forums Pinball Forum Discussion Old Boards
Raspberry Pi & Dev Board controls.dat Linux Miscellaneous Arcade Wiki Discussion Old Archives
Lightguns Arcade1Up Try the site in https mode Site News

Unread posts | New Replies | Recent posts | Rules | Chatroom | Wiki | File Repository | RSS | Submit news

  

Author Topic: uroMAMEstyx : Project done (2007.12.10)  (Read 124613 times)

0 Members and 2 Guests are viewing this topic.

superbigjay

  • Trade Count: (0)
  • Full Member
  • ***
  • Offline Offline
  • Posts: 667
  • Last login:October 22, 2023, 02:50:03 pm
  • I'll always be a kid...
    • superbigjay website
Re: uroMAMEstyx : all templates ready for the CP (2007.10.23)
« Reply #200 on: October 24, 2007, 11:01:38 pm »
Tonight progress...

Using the router, I trimmed the plexi and cut all the holes in the CP+plexi.

The only thing left before starting to mount the controls are
- cut the mouse hole using the template and the flush bit.
- route all recessed section using the templates and the bushing kit.

I should do this Friday night (I have a family diner tomorrow)...

2 pics included
- before the routing
- after the routing.

Not really helpful, but I was out of inspiration and wanted to minimize the in/out of the workshop (too much dust...)

Jay  :cheers:

superbigjay

  • Trade Count: (0)
  • Full Member
  • ***
  • Offline Offline
  • Posts: 667
  • Last login:October 22, 2023, 02:50:03 pm
  • I'll always be a kid...
    • superbigjay website
uroMAMEstyx : trackball hole done (2007.10.25)
« Reply #201 on: October 26, 2007, 01:15:30 am »
Hello, Finally, I've decided to work a bit on the project tonight...

I did the trackball hole.

here it goes...

1. print the template
first, I printed out the trackball template on paper, where you could see the
- 3in hole
- the trackball hole (lozenge shape)
- the mounting plate

2. flashlight (pic#1)
Since I already cut the 3in hole for the trackball, I needed to aligned my template
using that hole.  Since the paper is going on top, I needed a light source to align
the template with the actual hole.  As you can see on this is a precise installation,
where every degree count  ;)

3. Align the paper template (pic#2)
Once the flashlight beam "focused", I aligned the template.
Then, using hi-tech masking tape, secure the template into place.

3. Align the router (bushing) template (pic#3)
The next step is to align the router's template on the CP.
Simple enough, you do your best to aligned with the lines.

4. Route the trackball hole (pic#4 + pic#5)
Now it's time to route some mdf...
You put on your breathing mask, install the router in the existing 3in hole
and route it using a flush bit.

Jay  :cheers:

superbigjay

  • Trade Count: (0)
  • Full Member
  • ***
  • Offline Offline
  • Posts: 667
  • Last login:October 22, 2023, 02:50:03 pm
  • I'll always be a kid...
    • superbigjay website
uroMAMEstyx : trackball mounting plate routed (2007.10.25)
« Reply #202 on: October 26, 2007, 01:27:38 am »
OK, the second part of the trackball routing : the mounting plate.

1. Screw holes (pic#1)
The mounting plate is held on the CP using 4 screws.
Still having my template on the CP, I used the drill and a small bit to drill where
the screws are going.  I could have use right away the correct bit size, but I
wanted to do it later...

2. Align the mounting plate for the router (pic#2)
Before aligning the template, you have to set the depth of the router's bit
to recess the mounting plate such as it is flush with the CP surface.
so you take a piece of scrap wood, attached your template, set the depth
as you think and try it.  The you test fit your trackball plate and repeat until you
get it right.
The, we use again the same complex method to align the template on the CP:
you do your best  ;D

3. Route the trackball mounting plate. (pic#3)
Using your "adjusted" router, you route...
As you can see, The recess part isn't flush with the guide.
This is because a used a busing kit with a straight edge bit.

4. Test the result (pic#4 + pic#5)
You remove your template, clean up the dust and test your trackball mounting plate

that's pretty much for tonight.
Tomorrow, I'll recess the joysticks + pushbutton (to have room for the Led installation...)

Take care

Jay  :cheers:

Kaytrim

  • I'm too nice a guy
  • Trade Count: (+4)
  • Full Member
  • ***
  • Offline Offline
  • Posts: 2095
  • Last login:September 22, 2015, 04:11:30 pm
Re: uroMAMEstyx : all templates ready for the CP (2007.10.23)
« Reply #203 on: October 26, 2007, 09:16:11 am »
Nice job Jay real professional looking install.
 :applaud:

superbigjay

  • Trade Count: (0)
  • Full Member
  • ***
  • Offline Offline
  • Posts: 667
  • Last login:October 22, 2023, 02:50:03 pm
  • I'll always be a kid...
    • superbigjay website
Re: uroMAMEstyx : all templates ready for the CP (2007.10.23)
« Reply #204 on: October 27, 2007, 12:49:27 am »
Nice job Jay real professional looking install.
Thanks Kaytrim  :)

I'm having some people over tomorrow for dinner.  For a moment I thought about the possibility to mount only the 2 8ways and connect it to the encoder on the cab so that we can have a bit of fun, but then, the wife said that we have more important things to do...
something like clean up the house, preparing dinner...  :P

Tonight, I've finished the CP top routing.  I should be able to start the LED + push button assembly tomorrow (right after the clean up).
I also have to stop at the hardware store to get those "flat nuts" for the joystick...

Who knows, maybe I'll be able to put the cp overlay and plexi tomorrow...
Probably not  :-\  (the sister in law and her family are staying for the night...)

Jay  :cheers:

theCoder

  • Trade Count: (0)
  • Full Member
  • ***
  • Offline Offline
  • Posts: 1035
  • Last login:September 20, 2010, 10:48:47 pm
  • I'll clean up my mess, Honey, when I'm done...
Re: uroMAMEstyx : all templates ready for the CP (2007.10.23)
« Reply #205 on: October 27, 2007, 02:14:31 am »
Don't you hate it when life gets in the way of cab building.  Hurry up though, you've got what, 6 weeks before things get interesting?

Knievel

  • Trade Count: (+3)
  • Full Member
  • ***
  • Offline Offline
  • Posts: 965
  • Last login:July 10, 2016, 10:29:09 pm
  • Who's up for a game of Stunt Cycle??
    • Knievel Kustoms
Re: uroMAMEstyx : all templates ready for the CP (2007.10.23)
« Reply #206 on: October 27, 2007, 11:15:43 am »

Nice job on the CP top Jay..you should go into business! :)

superbigjay

  • Trade Count: (0)
  • Full Member
  • ***
  • Offline Offline
  • Posts: 667
  • Last login:October 22, 2023, 02:50:03 pm
  • I'll always be a kid...
    • superbigjay website
Re: uroMAMEstyx : all templates ready for the CP (2007.10.23)
« Reply #207 on: October 27, 2007, 11:34:37 am »
Don't you hate it when life gets in the way of cab building.  Hurry up though, you've got what, 6 weeks before things get interesting?
4 weeks max...  delivery is expected on nov 21st-25th....  ;D


Nice job on the CP top Jay..you should go into business! :)
Thanks for the compliment knivel, but at the speed I work at, that would leave me with about 50cents/hour  ;)

hehe, I've got about an hour before my wife brings me back to real life... got to go in the workshop...

Jay  :cheers:

superbigjay

  • Trade Count: (0)
  • Full Member
  • ***
  • Offline Offline
  • Posts: 667
  • Last login:October 22, 2023, 02:50:03 pm
  • I'll always be a kid...
    • superbigjay website
Re: uroMAMEstyx : all templates ready for the CP (2007.10.23)
« Reply #208 on: October 27, 2007, 04:35:20 pm »
today's "baby step" progress.

Today, I wanted to finish all the holes in the cp box:
- pinball buttons
- access (for wires)
- usb hub installation (flush mount)

Pinball buttons:
I took a few pictures of the pinpall hole making.
pic#1 : secure the cp box
pic#2 : align the 1 1/8 hole template
pic#3 : drill a 5/8 hole to insert the router's flush bit
pic#4 : flush trim using the router.
pic#5 : repeat for the remaining 3 holes et voila!
I could have used simply a 1 1/8 spade bit with the drill,   however, those holes
needed to be as close a possible to the bottom of the CP box, the reason being
that P2 action buttons are located exactly above the right pinball buttons and
room was really limited (I had to check twice to make sure they fit...)
And since the template was already there and the router bit was already installed,
it didn't take much time to do.  :angel:

Access hole:
That one is located on the back of the CP box.  It is to pass the wires from inside the cab to
the CP box.  Since we don't see that part, I didn't bother making some sort of fancy connector.
It's a simple 1 5/8 hole.

USB hub installation.
I want to flush mount my usb hub on the left side of my CP. 
The hub has 4 usb connector on 1 side and 3 on the other one.
The 4 ports side will be flush with the cp box side.
This is where I will connect my 2 LCD topguns.
The 3 ports side will be inside the CP box and will be used to connect usb device
installed in the cp box if required.
However, I haven't tested the topguns with that hub, and from what I've read so far,
it seems the recoil function rarely works when connected to a usb port,
so I want to make sure it's working properly before routing anything from the CP sides...

I started to do my template to install the main power switch on the cab, but
this is still in progress.

So that's it for today, the relatives/friends are here...

Jay

superbigjay

  • Trade Count: (0)
  • Full Member
  • ***
  • Offline Offline
  • Posts: 667
  • Last login:October 22, 2023, 02:50:03 pm
  • I'll always be a kid...
    • superbigjay website
Re: uroMAMEstyx : all templates ready for the CP (2007.10.23)
« Reply #209 on: October 28, 2007, 11:42:49 pm »
USB hub installation.
I want to flush mount my usb hub on the left side of my CP. 
The hub has 4 usb connector on 1 side and 3 on the other one.
The 4 ports side will be flush with the cp box side.
This is where I will connect my 2 LCD topguns.
The 3 ports side will be inside the CP box and will be used to connect usb device
installed in the cp box if required.
However, I haven't tested the topguns with that hub, and from what I've read so far,
it seems the recoil function rarely works when connected to a usb port,
so I want to make sure it's working properly before routing anything from the CP sides...
Well, after playing for about 2 hours with the dawn LCD top guns  :angry:
I didn't make any progress...

I was able to install guncon2 drivers, get 1 guns recognized, but couldn't do the manual calibration...
It's like if the guns don't see the led (from the bar) in all 4 corners, even when I'm at 8 feet from the
screen (a 19in monitor).  I'm gonna try to supply power for the LED bars from a separate power
supply.  Anyhow, since shooting games aren't really my favorites, I drop the integrated usb
hub for now and get back to it later (way later...)

So today was a really unproductive day for the project  :badmood:

Jay  :cry:

superbigjay

  • Trade Count: (0)
  • Full Member
  • ***
  • Offline Offline
  • Posts: 667
  • Last login:October 22, 2023, 02:50:03 pm
  • I'll always be a kid...
    • superbigjay website
uroMAMEstyx : top guns are working!!! (2007.10.29)
« Reply #210 on: October 29, 2007, 08:31:51 pm »
All right! :woot

After my really unproductive night, I woke up in the morning with a flash!!

This is where my computer is in the basement


When I was trying to do the manual calibration, the laser was on when shooting at the bottom of the screen, but was "flickering" when aiming a the top of the screen, like if the guns was having trouble to see the LCD bar.  seeing this, I also tried the mount the LED horizontally but got the same results (can shoot the top of the screen).  I went to bed a bit puzzled and pissed off a lot  :angry:

When I woke up this morning, I still couldn't explain why the top wasn't "accessible".

Then, I had Ze flash!!!
As you see on the picture above, I have a wall lamp.  When aiming to the top last night, that lamp was on.  I guess it was too bright in the background to clearly see the LEDs. 

So tonight, I spent another hour playing with the guns, but this time, I turned the problematic wall lamp OFF and manage to install both guns and have them calibrated.

So I'll be able to mount the USB hub in the control panel afterall  :laugh:

Jay  :cheers:

Kaytrim

  • I'm too nice a guy
  • Trade Count: (+4)
  • Full Member
  • ***
  • Offline Offline
  • Posts: 2095
  • Last login:September 22, 2015, 04:11:30 pm
Re: uroMAMEstyx : all templates ready for the CP (2007.10.23)
« Reply #211 on: October 29, 2007, 08:36:38 pm »
So in other words the lights were on but nobody was home.  :laugh2:

superbigjay

  • Trade Count: (0)
  • Full Member
  • ***
  • Offline Offline
  • Posts: 667
  • Last login:October 22, 2023, 02:50:03 pm
  • I'll always be a kid...
    • superbigjay website
Re: uroMAMEstyx : all templates ready for the CP (2007.10.23)
« Reply #212 on: October 30, 2007, 01:04:50 am »
So in other words the lights were on but nobody was home.  :laugh2:

Yep that's me, after midnight I'm gone   :o

Ok, So I flush mount my usb hub on the left side of the CP panel.
This gives me 4 usb ports outside (for 2 lcd topguns) and 3 inside the CP box (for the ledwiz).
The hub power supply is spec-ed for 1.5 amp.  It might be enough to even drive the recoils of the topgun.
I'll see how it behaves when the time come.  If the hub power is insufficient, I'll add 2 power connector next to the hub...

External view (will need a small touch up for the finish)


Internal view


Having a bit of time left before "dodo" time, I decided to do simplify the LED hole drilling process.
So I built a small hi-tech guide (with a BIC pen).  I simply have to insert the pushbutton in the guide, hold it and drill the hole using the drill press.  No need to do any alignment. 


I should be able to drill the LED holes tomorrow night and mount the joystick (still have to stop at the hw store to get T-nuts)

So that its!

Jay  :cheers:

Spyridon

  • Trade Count: (+2)
  • Full Member
  • ***
  • Offline Offline
  • Posts: 1480
  • Last login:February 12, 2025, 09:06:59 am
Re: uroMAMEstyx : all templates ready for the CP (2007.10.23)
« Reply #213 on: November 02, 2007, 12:43:45 pm »
Jay,
What are you going to do with your dust covers for the joysticks?  Over or under the overlay?  I'm trying to figure out which way to go on mine.


P.S. Project is really looking good.
My current collection:  Arkanoid^3, Asteroids Deluxe, Centipede, Donkey Kong w/DIIK, Frenzy w/Berzerk multi, Galaga, Galaxian, Gyruss, Mappy,  Missile Command, Multi-Williams, O'Boyles Arcade (Mame), Pac-man,  Sinistar, Star Wars, Tempest, War Gods

superbigjay

  • Trade Count: (0)
  • Full Member
  • ***
  • Offline Offline
  • Posts: 667
  • Last login:October 22, 2023, 02:50:03 pm
  • I'll always be a kid...
    • superbigjay website
Re: uroMAMEstyx : all templates ready for the CP (2007.10.23)
« Reply #214 on: November 03, 2007, 03:18:59 am »
What are you going to do with your dust covers for the joysticks?  Over or under the overlay?  I'm trying to figure out which way to go on mine.

Hello Spyridon,

I've decided to bottom mount my joystick, so the dust washer will be on top (I would need to recess a circular area to fit the washer under the overlay/plexi).

I've look at both over/under look and I personally prefer the top, I found the under look a bit too naked...

I'm including 2 pics of what it look to give you an idea...

Maybe you'll prefer the "cleaner" look of the under version  :dunno

P.S. Project is really looking good.
hey hey!!! Thanks!
I'm mounting the CP tomorrow morning, so I should post an interresting update tomorrow.

good night... (it's 3am  :cry:)

Jay  :cheers:

superbigjay

  • Trade Count: (0)
  • Full Member
  • ***
  • Offline Offline
  • Posts: 667
  • Last login:October 22, 2023, 02:50:03 pm
  • I'll always be a kid...
    • superbigjay website
uroMAMEstyx : CP ready to wire : big update (2007.11.03)
« Reply #215 on: November 04, 2007, 02:21:28 am »
---------------------------------
Led holes in Push button
---------------------------------
1. drill a hole using the drill press.
In my case, I didn't have a 5mm bit, so I used a 3/16in bit, which is equivalent to 4.76mm (slightly smaller than the led diameter)


There you go!


2.Adjust the hole diameter.
Next step, I used a file to adjust the hole size to fit the led.


3. Test fit the LED.
Finally, I test fit the led to make sure they can be inserted without too much pressure.


---------------------------------
Installing T-nuts
---------------------------------
Since my joystick are bottom mounted, I used T-nuts to secure the joystick into place.

1. Use a spade bit to recess the t-nuts


2. Drill the screw hole, big enough for the t-nut to fit.

3. Using a hammer, gently insert the t-nuts in the hole.
(t-nuts have some sharp shape used to secure the t-nuts in the wood)
!!! put something to support the joystick base recessed section !!!


4. flip the CP over and install the joysticks
In my case, I forgot to "support" the recess section of the joystick and it seems that I didn't insert the t-nuts gently...
As you can see in this picture, the mdf didn't like the hammer...


The mdf still feel solid enough, but I didn't want to take any chance, so I added some additional support (aluminum bracket).  It doesn't look as good, but we don't really see that part...


5. Your joystick are mounted!


Jay  :cheers:

superbigjay

  • Trade Count: (0)
  • Full Member
  • ***
  • Offline Offline
  • Posts: 667
  • Last login:October 22, 2023, 02:50:03 pm
  • I'll always be a kid...
    • superbigjay website
uroMAMEstyx : CP ready to wire : big update (2007.11.03)
« Reply #216 on: November 04, 2007, 02:24:48 am »
---------------------------------
CP overlay
---------------------------------
Woooo! the scrary part : cutting the overlay.

1. setup your working surface.  If you work on the dining room table, make sure you have something to protect it, or the wife will kill you.  You will need an utility knife or exacto.


2. Cut the holes.
Wash your hands to make sure you don't have anything that can mess your overlay.  Using the exacto, carefully cut the holes for the trackball/buttons/joysticks.


3. Install the overlay on the CP.
Install the overlay/plexi on the box.  Make sure it is aligned with the PC and plexi holes.

4. Trim the overlay.
Using a sharp exacto, insert it through your overlay (ouch).


Then, let the plexi guide the blade and trim the overlay.


5. Install the T-molding.
Using a mallet, insert the t-mold around the CP.  In my case, I didn't have a mallet, but some sort of hammer adaptors.  These transform any hammer into a mallet.  You even have choices for the softness/hardness.


Here's another shot with the mallet adaptor installed...


6. Install the push buttons.
This is simple enough.  You just drop the push button in the hole and secure it with the plastic nuts.  the only thing you have to think of is how you orient your button to have room for the wiring of the switches/leds.



7.  See how it looks!
All right, now flip that thing over, drop the joystick handle into the holes and take a look.


another view...


Jay  :cheers:

superbigjay

  • Trade Count: (0)
  • Full Member
  • ***
  • Offline Offline
  • Posts: 667
  • Last login:October 22, 2023, 02:50:03 pm
  • I'll always be a kid...
    • superbigjay website
uroMAMEstyx : Transluscent pushbutton inserts (2007.11.03)
« Reply #217 on: November 04, 2007, 02:26:02 am »
---------------------------------
Illuminated push button labels
---------------------------------
for the push button labels, I basically used the same method used by pod
   Pod's button labels thread

1. print the labels
Draw your labels in your favorite program and print those on a transparency film (laser or inkjet, depending on your printer).  Make sure you have at least 2 copy of each label, since you'll probably need to use 2 layers.


2. Roughly cut the label. 


3. Merge the 2 layers.
Pod's tutorial uses some sort of glue to secure the 2 layer of each label.  In my case, I simply used some double sided tape.


4. Cut the label
carefully cut the label to fit the push button

5. Insert the label.
Insert the label in the push button and reassemble it.
Here's a snapshot of one lighted translucent button.



all right, my eyes are burning.  Time to go to bed now...

Jay  :cheers:

bfauska

  • Trade Count: (+2)
  • Full Member
  • ***
  • Offline Offline
  • Posts: 1372
  • Last login:April 15, 2025, 10:49:31 pm
  • "You're not wrong Walter, you're just an @##hole!"
Re: uroMAMEstyx : CP ready to wire : big update (2007.11.03)
« Reply #218 on: November 04, 2007, 02:39:00 am »
Good progress.  Nice job on the artwork cutting walk through too.

javeryh

  • Trade Count: (+1)
  • Full Member
  • ***
  • Offline Offline
  • Posts: 7994
  • Last login:Today at 09:27:12 pm
Re: uroMAMEstyx : CP ready to wire : big update (2007.11.03)
« Reply #219 on: November 04, 2007, 10:04:14 am »
 :o  I love this project.  Awesome work!!!

I have a question - I'm contemplating adding the 7th neo-geo button to my next CP... will you use that button as the default "button 1" in all games other than 6-button fighters?  So it would fire in Galaga, shoot the ball in Mr. Do!, jump in Donkey Kong, etc... what about 2 and 3 button games?

superbigjay

  • Trade Count: (0)
  • Full Member
  • ***
  • Offline Offline
  • Posts: 667
  • Last login:October 22, 2023, 02:50:03 pm
  • I'll always be a kid...
    • superbigjay website
Re: uroMAMEstyx : CP ready to wire : big update (2007.11.03)
« Reply #220 on: November 04, 2007, 10:18:34 am »
Thanks Jav and Bfauska!

Javeryh, to answer your question, that 7th button will be connected to the same input as on of the other 6.  From what you said, this will probably be #1, so yes, that button would have the same action as #1 in other games (jump/shoot).

I could always use an alternate keywiz programming to activate that button in neogeo games, but I don't think having 2 buttons doing the same things will annoy me (it's like the 2 player joystick : 4 and 8 way)

The next step for tonight, is to do the soldering for the ~60 leds and the protection circuit to short the 4way with the 8-way.

Jay  :cheers:

ratzz

  • Guest
  • Trade Count: (0)
Re: uroMAMEstyx : CP ready to wire : big update (2007.11.03)
« Reply #221 on: November 04, 2007, 12:32:38 pm »
That's a great button mod -- I wish I could think 'out of the box' like that!

I'd like to do a 'coin' button, so I'll be following your lead Jay.

 :cheers:  :applaud:

superbigjay

  • Trade Count: (0)
  • Full Member
  • ***
  • Offline Offline
  • Posts: 667
  • Last login:October 22, 2023, 02:50:03 pm
  • I'll always be a kid...
    • superbigjay website
Re: uroMAMEstyx : CP ready to wire : big update (2007.11.03)
« Reply #222 on: November 09, 2007, 03:02:34 am »
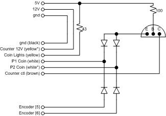
Hello everyone!

I've spend every night this week wiring the control pannel,
installing the button LED connectors, coin door led, trackball led,
connecting the ground chains
Adding a "computer" switch in the CP
bringing the 5v/12v from the PC power supply to the CP box
Doing the protection circuit to share the same encoder input between a microwsitch 4-way joystick and the P360.
and plenty of other stuff.

So I should be posting some big update soon.

I just don't have enough time right now to write the whole update
Got to get that cab running for this Saturday (my 10 years old nephew birthday)

It a race against the clock...
the BD party and my girlfriend starting to have those "fake" contractions... (not sure if it's the right word...)

Lets hope they remains "fake" for a few more days  ;)

Cheers
Jay  :cheers:

Neverending Project

  • Trade Count: (+3)
  • Full Member
  • ***
  • Offline Offline
  • Posts: 851
  • Last login:April 06, 2015, 10:07:43 pm
    • Arcade Fixer
Re: uroMAMEstyx : CP ready to wire : big update (2007.11.03)
« Reply #223 on: November 09, 2007, 11:22:00 am »
It a race against the clock...
the BD party and my girlfriend starting to have those "fake" contractions... (not sure if it's the right word...)

Lets hope they remains "fake" for a few more days  ;)
They're called Braxton Hicks contractions. And I'm sure your girlfried will assure you she feels nothing fake about them.  ;)

Seriously, though, congratulations on all accounts.

superbigjay

  • Trade Count: (0)
  • Full Member
  • ***
  • Offline Offline
  • Posts: 667
  • Last login:October 22, 2023, 02:50:03 pm
  • I'll always be a kid...
    • superbigjay website
Re: uroMAMEstyx : CP ready to wire : big update (2007.11.03)
« Reply #224 on: November 10, 2007, 03:36:51 pm »
All right, the arcade is playable for tonight party (worked on it all night = no sleep  :dizzy:)

Still a lot of stuff here and there, but the basic is there...

Cheer  :cheers:

I'll post a full status soon enough, after I get some sleep...

Jay

superbigjay

  • Trade Count: (0)
  • Full Member
  • ***
  • Offline Offline
  • Posts: 667
  • Last login:October 22, 2023, 02:50:03 pm
  • I'll always be a kid...
    • superbigjay website
uroMAMEstyx : Pushbutton LED installation (2007.11.12)
« Reply #225 on: November 12, 2007, 08:37:52 pm »
All right, back on the uroMAMEstyx progress.

As of today, the cab is playable, but I still have plenty of things to do...


LED connection
-----------------------------------
Each buttons (29) has a LED that will be controlled by the LEDWIZ.

So here's how I did my connections...

1. Plan where you're gonna mount the LEDWIZ (and other components : gnd, 5v, 12v, keywiz, coindoor circuit, P1 joysticks protection circuit)
When you think everything makes sens, you can install them...



2. Plan how you're gonna do the electrical connections.
Plan your switch connection, the Led control connection and the daisy chain ground connection



3. Choose your color code. 
Try to pick good colors, or not so good depending on what wire color you have available...
In my case, I chose these colors:
- green        : ground
- yellow(blue) : led control (I changed my mind half way...)
- blue         : button switch control
- orange       : joystick switch control
Then, prepare all wire/led/quick connectors

In my case, I needed to bend the LED legs, so they can fit right next to each other.



4. Prepare you LED resistors.
Calculate your resistor based on the formula:
Led_Voltage = Power_Supply_Voltage - (Resistor_Value * Led_Current)
In my case, the LED Voltage is 3.3-3.6V and the current is 20mA per LED.
Since I'm connecting them in pair (40mA), I'll use 39 Ohms resistors.



5. Crimp the connector and solder the resistor on the control wire. 
One end includes a female connector and the resistor.
The other end will go to the LEDWIZ screw terminal.
Cut the length a bit longer than you really need for now.
On the next picture, you barely see the resistor.  It is hidden by the red plastic thing on the connector.



6. Prepare the LED connectors.
These will connect in parallel 2 LEDs together and uses the green/blue color code.
- take 2 wires
- remove part of the plastic shield.
- twist the 2 wire together
- insert the twisted wire in the "positive" male connector
- crimp the wire
- add a touch of solering
*** On the picture, I've inverted the crimp/soldering steps, but you should get the idea.

Then check that the crimping/soldering is solid enough be pulling on the wire to see if you have a solid connection.


7. Solder the LEDS to the wire



8. Test your Dual LED connection
Connect your LED to your 5V to see if it works.
If so, great, if not, redo your homework ;)

*** In my case, I used my 13.8 power supply, so I added an extra resistor to adjust the voltage.


Jay :cheers:

superbigjay

  • Trade Count: (0)
  • Full Member
  • ***
  • Offline Offline
  • Posts: 667
  • Last login:October 22, 2023, 02:50:03 pm
  • I'll always be a kid...
    • superbigjay website
uroMAMEstyx : TRACKBALL LED ASSEMBLY (2007.11.12)
« Reply #226 on: November 12, 2007, 09:00:04 pm »
Another update...

Lot of pictures to post...


TRACKBALL LED ASSEMBLY
------------------------------------------------
This post is to show how I replaced the original lamp from the TB by 6 leds.

1. Remove the old lamp mounting bracket


2. Find a mounting bracket.
I used an old CD cover to mount the bracket.
I wanted to use a scrap piece of plexi, but couldn't find any scrap piece, and was too lazy
to cut it.



3. Mark the mounting plate
Place the mounting plate where the old light bracket was.  Make sure it cover the "light" hole and the mounting screw hole.
Then mark where you want the LED to be and also the mounting screw.
Finally, cut your plate to the desired shape and drill the led holes



4. Solder the wires to the LED
One small wire per led leg (yellow/green color code).



5. Assemble the leds in pair.
In my case, I wanted to reuse the same resistors, so I connected them in pair.
Then you add 1 resistor per pair and solder/crimp them together with a male connector
Now is a good time to test the LED by applying 5V on them...


6. Assemble the LEDs on the mounting plate.
Using hot glue, insert the LEDS in their holes and secure them into place using hot glue.
Verify again the LEDs are still working.
If so, great, If not, swear a bit and back to work.


7. screw the mounting plate on the trackball.


Jay  :cheers:

superbigjay

  • Trade Count: (0)
  • Full Member
  • ***
  • Offline Offline
  • Posts: 667
  • Last login:October 22, 2023, 02:50:03 pm
  • I'll always be a kid...
    • superbigjay website
uroMAMEstyx : P360 vs regular 4-way joystick protection (2007.11.12)
« Reply #227 on: November 12, 2007, 09:22:15 pm »
2 more update to go...



Joystick protection circuit
-------------------------------
On my CP, I have 2 joystick for Player 1.
- happ Perfect 360 (dedicated 8-way)
- miss pac man reunion (dedicated 4-way)

I want to connect them to the same inputs on the encoder.

Since the P360 is an optical joystick.  It's behavior is not the same as the regular microswitches

the microswitch states are:
- Pressed  : The NO pin is shorted to the COM pin (grounded)
- Released : the NO pin is OPEN


The P360 has some driver instead of switches:
- Active   : The buffer drives 0V
- Inactive : ???
When the P360 is inactive, I'm not sure exactly what the buffer outputs (5V, Open, HiZ (weak 5V))

If the P360's were open collector (Open) type buffer (not sure here if this is the right word), then, shorting the 2 joystick pin together wouldn't be a problem.

If the P360's isn't open collector (5V or Hiz), then activating the 4 way (gnd) vs the unused 8-way would cause contention:
- the P360 tries to drive 5V
- the 4-way short the pin
==>  We end up the P360 driving a non negligible amount of current which will/might eventually "bust the buffer".


So I found some really low voltage diodes (0.2V compare to 0,7V of the std 1N4104) and connected them to protect each one of the 4 P360 outputs...



Did the soldering.  the diodes are surface mount diode.  So I only had a tiny surface to connect them.



And finally, to secure them into place, I used my famous hot gun glue.




Hot Glue is your friend...

Jay

javeryh

  • Trade Count: (+1)
  • Full Member
  • ***
  • Offline Offline
  • Posts: 7994
  • Last login:Today at 09:27:12 pm
Re: uroMAMEstyx : CP ready to wire : big update (2007.11.03)
« Reply #228 on: November 12, 2007, 09:40:27 pm »
Effin awesome.   :cheers:

superbigjay

  • Trade Count: (0)
  • Full Member
  • ***
  • Offline Offline
  • Posts: 667
  • Last login:October 22, 2023, 02:50:03 pm
  • I'll always be a kid...
    • superbigjay website
uroMAMEstyx : Coin door LEDs (2007.11.12)
« Reply #229 on: November 12, 2007, 10:07:42 pm »
Last update...



Coin door lighting
-------------------------------
1. Remove the old coin door lights
   Reuse the quick +/- connectors

2. prepare 3 Leds

3. glue them together

4. Test fit them in the coin door hole to see if they fit snugly.
Adjust the size of your new "bulb" by adding/removing you friend "hot glue"



5. Solder to connectors
Cut the LED legs
Add a resistor
- calculate value with the usual formula
or
- use the same as for 2 leds (the intensity would be reduce)


6. install the LED in the coin door
The picture isn't so great, but you get the idea.
The yellow leds give an orange look to the coin light which is cool since the whole cab main color is yellow.



Jay :cheers:

superbigjay

  • Trade Count: (0)
  • Full Member
  • ***
  • Offline Offline
  • Posts: 667
  • Last login:October 22, 2023, 02:50:03 pm
  • I'll always be a kid...
    • superbigjay website
uroMAMEstyx : SNEAK PREVIEW (2007.11.12)
« Reply #230 on: November 12, 2007, 10:53:41 pm »
All right, the arcade is playable for tonight party (worked on it all night = no sleep :dizzy:)
Still a lot of stuff here and there, but the basic is there...
Cheers :cheers:
I'll post a full status soon enough, after I get some sleep...

All right, I've got enough sleep and finished posting my updates...

As I said in post #224, I worked all night Friday to get the cab ready for my nephew birthday party.

Basically, this is the timeline...

Fri 18h00 : back home, diner time
Fri 19h00 : Continuing the wiring
Sat 00h00 : button+led soldering done
Sat 03h00 : connection to ledwiz/keywiz done
Sat 04h00 : Install CP top - CP box "piano bracket"
Sat 05h00 : PC to CP power cable done (0V, 5V, 12V)
Sat 05h30 : Coin door connection


Sat 06h00 : Clean up the kitchen table where I did all my wiring
Sat 06h30 : Bring the computer/monitor/TV/laptop in the living room and start the cab assembly
   - install TV on TV shelf
   - install PC in the cab, connect monitor, tv, keyboard, mouse, external HD (music)
   - turn on the PC
     * the side logo light turns on (12V)
     * the lightgun power switch ring turns on
     * The USB trackball works fine
   - try my PS/2 to PC adapter :  :cry: not working.  The device isn't recognized. 
     Throw it away and get my basement usb keyboard  :angry:
   - try TV with the s-video cable and laptop : OK
   - try TV with PC :  :cry:  the "output to TV" option isn't there.
Sat 08h00 : Time's UP .... Shower time
Sat 09h00 : Drive to funerals (friend's mom).  This was a really long hour drive.  I had to stop a Tim Horton for some coffee.
Sat 12h00 : Stop at the grocery/liquor Store to get beer/wine and some Guru in case I don't have time to take a nap
Sat 13h00 : Back to home, lunch taken
Sat 14h00 : Reinstall radeon x1300 drivers and reboot PC
   - the TV and monitor shows the HP logo screen at boot up :  :cheers:
   - Once windows load, only the monitor display something  :banghead:
   - reboot with only the svideo connected (monitor disconnected) : YEAH  ;D
Sat 15h00 : connecting the KEYWIZ in bypass mode with my PS/2 keyboard : OK
Sat 15h15 : Switching to regular mode and try encoder in notepad...
   - P1 directions : OK
   - P1 actions : Arrrgh!  it's P2!
   - P2 directions : OK
   - P2 directions :Arrgh! it's P1!
   - swap P1 and P2 actions
Sat 16h00 : Realize that P1 and P2 start labels are inverted
   - swap them
Sat 16h15 : Start Mala
   - controls works  :cheers:
Sat 16h30 : Start Mame (SF2)
   - P1 and P2 joystick are in 4-way mode  :dizzy:
   - Actuator is upside down.  I read the PDF before installation, but was probably too tired to understand  :dunno
Sat 16h45 : Start Mame (SF2)
   - P1 and P2 joystick are OK.
   - P1 4way is working
   - Coin mechs are working
   - P1 action buttons are perfect.
   - P2 action buttons aren't map properly  :cry:
     * P1 button 2 activate both P1 and P2 button 2.
     * P2 button 1 is working, all other doesn't work
Sat 17h00 : Ding Dong, first relative is here  :timebomb:

So even with all those small unfinished things, I was able to proudly show the cab.

My nephew tried it for about 5 minute then requested to go play my XBOX  downstairs.
then, after 30 minutes, he went back up and ask for a few quarters  ;D
So he started a game of metal slug and played for a while.
His sister even played with him, even though she had limited control (Fire and "simultaneous jump" with her brother).
It was so funny to see them run for a quarter when they were "game over" and they saw that 10 sec countdown  :laugh2:

Here's a pic of the "incomplete cab"...


-----------------------------------------------------------

I still have a lot of stuff to do...

- Install the LCD topguns power connectors next to the usb hub and led bar on the TV
- Do the monitor bezel
- Get another usb keyboard (for skjukebox find feature)
- Do the main power relay for a clean power cable installation
- install pinball button (need to groove the bottom of the CP box : no space for nuts)
- install computer power button on CP box side
- Change the lighting light source for side log
  * right now, I'm using yellow led strip.  I'll eventually need to change them for a white light source...
- Software stuff
- ... and many more ...

Jay  :cheers:

TeamTEOR

  • Trade Count: (0)
  • Full Member
  • ***
  • Offline Offline
  • Posts: 149
  • Last login:December 14, 2018, 09:43:43 pm
  • Off to the Edge of Reality
    • My Website
Re: uroMAMEstyx : SNEAK PREVIEW (2007.11.12)
« Reply #231 on: November 13, 2007, 06:23:38 am »
Great stuff!!! Absolutely awesome work!
I look forward to seeing you complete things a little more.
Tom

Santoro

  • Purveyor of Shiny Arcade Goodness
  • Santoro
  • Trade Count: (+32)
  • Full Member
  • *
  • Offline Offline
  • Posts: 3055
  • Last login:July 14, 2025, 03:43:29 pm
  • Boycott Quarters!!!
    • ArcadeReplay!
Re: uroMAMEstyx : SNEAK PREVIEW (2007.11.12)
« Reply #232 on: November 13, 2007, 11:41:44 am »
Nice Work! :applaud:

superbigjay

  • Trade Count: (0)
  • Full Member
  • ***
  • Offline Offline
  • Posts: 667
  • Last login:October 22, 2023, 02:50:03 pm
  • I'll always be a kid...
    • superbigjay website
uroMAMEstyx : One Button Solution (2007.11.14)
« Reply #233 on: November 14, 2007, 07:50:07 am »
Thanks Santoro and TeamTEOR,

I'm trying not to play as long as I have major thing to do on the cab.  So far so good...

Last night update : How To Build a Controlled outlet (1 button solution)
------------------------------------------------------------------------------------------
To implement the 1 button solution, I'm using a relay (UJ1CSAC24FT).
Nothing really new here.  Many users are using this technique...
Relay are simple enough and similar to pushbuttons.  They have:
- DC inputs (voltage detector)
- Common input
- Normally Open Input (shorted to Common pin when voltage is applied)
- Normally Close Input (shorted to Common pin when no voltage is applied)
There's a coil inside that open/close a contact when Dc is applied or not.

then, it's a matter of simple electricity...

1. Draw your circuit and gather pieces.
In my case, I'm using :
- Electrical box big enough to store 2 outlets and the relay. (~3$)
- 2 electrical outlets (~2$, I'm using spare ones I had laying around)
- Cabinet power switch (~5$)
- Relay (UJ1CSAC24FT) (~3$)
- some electrical wire + quick connectors.


2. Connect the wires and Quick Disconnect.
Connection is simple enough:
- gnd + 12V from PC to DC inputs (voltage detector)
- gnd from power switch to both outlets (gnd) and electrical box.
- neutral from power switch to both outlets (neutral-white)
- live from power switch to regular outlet (live-black) and Relay Common pin
- live from Relay Normally Open pin to controlled outlet (live-black)
Use some quick disconnect where appropriate

PS: the color white=neutral and black=live are CAN/US color standard
PPS: usual warning : NEVER ATTEMPT THIS IF YOU'RE NOT A QUALIFIED MASTER-ELECTRICIAN  :angel:

3. Install/Secure the relay in the electrical box. 
This can be done in many ways.  I'm using 2 x #6-1/2 screws with nuts

outside view...


4. Screw the outlet on the box.
Last step is to screw the 2 outlets on the box.
So I have one regular "Always ON" outlet on the left and one "Controlled" outlet on the right.
I just have to add a small sticker to identify the outlets and maybe add a face plate if a have a spare one...


There you go, a nice smart-plug!
Now, you just have to install all this in the cab...

Jay  :cheers:

superbigjay

  • Trade Count: (0)
  • Full Member
  • ***
  • Offline Offline
  • Posts: 667
  • Last login:October 22, 2023, 02:50:03 pm
  • I'll always be a kid...
    • superbigjay website
Re: uroMAMEstyx : One Button Solution (2007.11.14)
« Reply #234 on: November 19, 2007, 11:10:19 pm »
all right, part 2 of the one button solution...


5. mount the main power switch on the cab.
--------------------------------------------------------
Mark where you want to mount the switch.


With the UAII cab and the way I modified it, I couldn't find an ideal place to mount the main power switch.
I ended up mounting it on the lower part of the cab (inclined at 45deg).


6. drill the pilot hole.
----------------------------------------
I didn't have an easy way to secure my router's template for the switch, so I went the jigsaw route.
So I drilled the pilot holes.



7. cut the hole
--------------------------
Using the jig saw, I cut the hole and with wood chisel, I removed some MDF for the small face plate.



8. Install the switch
---------------------------------------
using black screws, I installed the switch on the cab.
Then used wood filler to patch the imperfections.



9. Paint and touch up
-----------------------------------------
Finally, I painted the surface.
As you see, I still have some touch up to do, but you get the idea...



10. Electrical connections
------------------------------------------
Last step, you connect that thing!
gnd to gnd, live to live, neutral to neutral...

In my case, I didn't bother identifying which pin was neutral/live.
Instead I used a small tester to see if I guessed right.
As expected, I inverted the neutral/live, so I fixed it...




Jay  :cheers:

superbigjay

  • Trade Count: (0)
  • Full Member
  • ***
  • Offline Offline
  • Posts: 667
  • Last login:October 22, 2023, 02:50:03 pm
  • I'll always be a kid...
    • superbigjay website
uroMAMEstyx : adding PC switch on the CP (2007.11.19)
« Reply #235 on: November 19, 2007, 11:35:15 pm »
This part is to explain how I added the PC power switch on the CP box.
Nothing really new.  A lot of people have done it before...  :dunno



1. Find the wire!
---------------------------------
the first step is to identify which wire pair control the ON/OFF of the PC.

In my case, there's 3 pairs of wire going to the main switch, all on the same connector.
So I removed the connector from the motherboard and with the multimeter, I checked
which pair get "shorted" together when the button is pressed.
It was the red/black pair.




2. split the wire
-------------------------------------------------
the next step is to split those wire so that the PC can be turned On/OFF by the regular button or by the new pushbutton.
Basically, I'm connecting the new switch in parallel with the existing one.


You can't see clearly on the pic above, but I'm using a connector for that new wire pair.
So, if I ever want to reuse that PC for something else (yeah right!), I'll be able to remove the 6ft wire easily...



3. bring the wires to a Normally Open switch.
----------------------------------------------------------
next step, bring that wire to the CP box and connect it to a NO switch.

I had a small surprise... The pinball buttons and the new PC power button hole are flushed with the CP box bottom...
No room for the button nut  :banghead:


So I took the wood chisel, and removed about 1/8 of MDF.

The I connected both wire to the COM and NO pins of the microswitch.




4. Final testing...
--------------------------------
Last step : the moment of truth...
put back the PC in the cab, connect everything, turn the main input switch ON and press the new PC power button on the side of the cab.....  YEAH!  it works!  :applaud:


That's it for tonight...

Jay  :cheers:


superbigjay

  • Trade Count: (0)
  • Full Member
  • ***
  • Offline Offline
  • Posts: 667
  • Last login:October 22, 2023, 02:50:03 pm
  • I'll always be a kid...
    • superbigjay website
uroMAMEstyx : wiring mess... (2007.11.19)
« Reply #236 on: November 19, 2007, 11:38:55 pm »
Ok, one last pic before going to bed...

I'm done with all my wiring.
Had to redo part of it, because all my leds weren't connected properly to the ledwiz (common gnd instead of common 5V).

at first I thought that I would do an awesome jobs on the wiring, but ended up with this....


It's not that bad, but it makes you appreciate more the work of other like mountain/knievel to only name a few...

at least it's working...

Ciao
Jay  :cheers:

superbigjay

  • Trade Count: (0)
  • Full Member
  • ***
  • Offline Offline
  • Posts: 667
  • Last login:October 22, 2023, 02:50:03 pm
  • I'll always be a kid...
    • superbigjay website
uroMAMEstyx : Project done (2007.12.10)
« Reply #237 on: December 10, 2007, 03:21:33 pm »
Well, finally, the uroMAMEstyx project is near completion (the only hardware part to do is the TV bezel), but I won't do it for a while...  I have to prepare the Christmas party!!!

For the last year I was working on this project and there it is:

CP box Right side : pinball buttons and PC power button:


CP box Left side : pinball buttons and USB ports.:


Cab power cable:


Cab right view


Cab final location:


I'd like to take the opportunity to thank everyone who helped me on this project by giving feedback, advices, encouragements.  Also a HUGE thanks to my wife for letting me work all those hours on the project without arguing too much  >:D and also for letting me install it in the living room  :applaud:


Finally, I'd like to introduce OUR last project on which I worked for 3 minutes and my wife for 9 months (day and night).  Edouard!!!   Here he is at 7 days old!


PS:
Sorry for the "rush" update...
For some reasons, I don't have that many spare time anymore
...
but it's worth it   
;D

Cheers
Jay  :cheers:

Kaytrim

  • I'm too nice a guy
  • Trade Count: (+4)
  • Full Member
  • ***
  • Offline Offline
  • Posts: 2095
  • Last login:September 22, 2015, 04:11:30 pm
Re: uroMAMEstyx : Project done (2007.12.10)
« Reply #238 on: December 10, 2007, 03:29:12 pm »
Congrats on the baby Jay. :cheers: and for finishing the cabinet. :applaud:

TTFN
Kaytrim

leapinlew

  • Some questionable things going on in this room with cheetos
  • Trade Count: (+4)
  • Full Member
  • ***
  • Offline Offline
  • Posts: 7924
  • Last login:October 17, 2025, 10:29:23 am
Re: uroMAMEstyx : Project done (2007.12.10)
« Reply #239 on: December 10, 2007, 07:25:27 pm »
 :applaud: :applaud: :applaud:

Very well documented dude. Good job!